THES-G


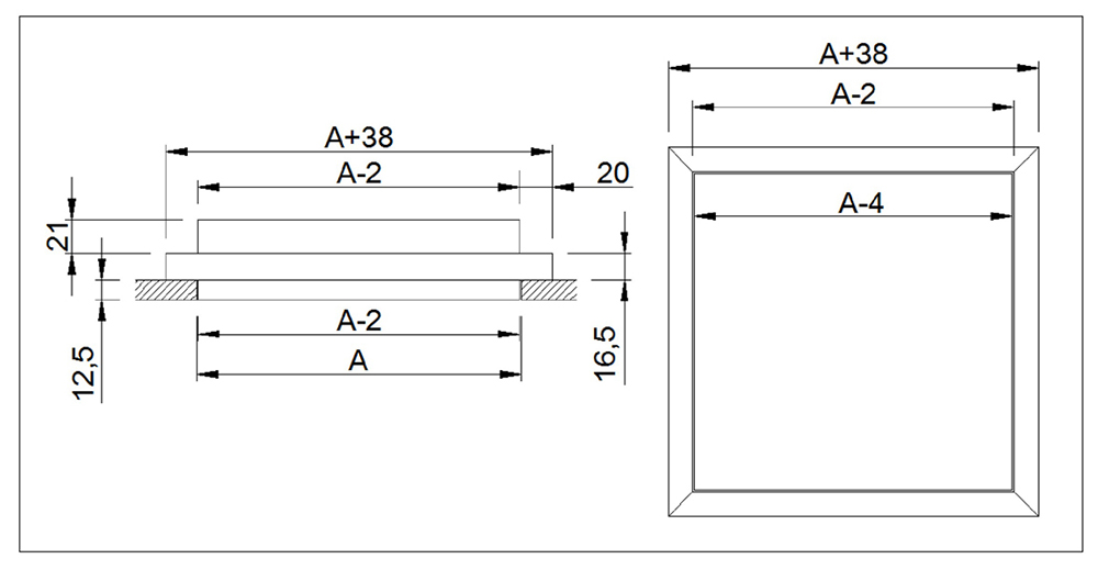
Access door for gypsumboard false ceiling. With galvanized steel sheet frame and door. The door opens-closes with invisible mechanism and is hanging or removed when open. On site a piece of gypsumboard is placed on the access door, in order to look as single surface with all the false ceiling.




More in this category: « THES DAMPER CONTROLS »